All Categories
Product model

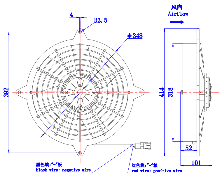
Bus Cooling System DC Motor Condenser Fan For Jiexin

Model:LNF2201XJ7
Test voltage:27V/13.5V
Current≤8.0A/15.0A
Speed:2900±200rpm
Static pressure:100Pa
Air volume≥2000m³/h

Inquiry

Contact Us